*Esta es la segunda y última parte del artículo elaborado por DANIEL CARRASCO, Director General del Gremi d’Instal·ladors de Barcelona, sobre la visión de los instaladores de la ITC-BT-52.
Esquemas de instalación ITC BT 52. Se permiten cuatro posibles esquemas de conexión:
1) Esquema 1 colectivo o troncal con un contador principal en el origen de la instalación

Esquema 1a: instalación colectiva troncal con contador principal en el origen de la instalación y contadores secundarios en las estaciones de recarga
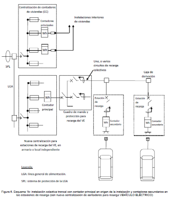
Esquema 1b: instalación colectiva troncal con contador principal en el origen de la instalación y contadores secundarios en las estaciones de recarga (con nueva centralización de contadores para la recarga

Esquema 1c: instalación colectiva con contador principal y contadores secundarios individuales para cada estación de recarga
2) Esquema 2 individual con un contador común para la vivienda y la estación de recarga

Esquema 2: instalación individual con un contador principal común para la vivienda y para la estación de recarga.
3) Esquema 3 individual con un contador para cada estación de recarga

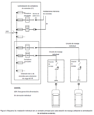
Esquema 3a: instalación individual con un contador principal para cada estación de recarga (utilizando la centralización de contadores existente)

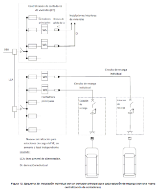
Esquema 3b: instalación individual con un contador principal para cada estación de recarga (con una nueva centralización de contadores)
4) Esquema 4 con circuito o circuitos adicionales para la recarga del vehículo eléctrico

Esquema 4a: instalación con circuito adicional individual para la recarga del vehículo eléctrico en viviendas unifamiliares.

Esquema 4b: instalación con circuito o circuitos adicionales para la recarga del vehículo eléctrico.
Especificaciones técnicas que regula la nueva ITC BT 52
A grandes rasgos, las principales especificaciones técnicas que regula la ITC-BT-52 se pueden resumir en los siguientes apartados:
Modos de recarga:
Modo de carga 1. La conexión del vehículo eléctrico con la red de alimentación de corriente alterna se efectúa mediante tomas de corriente normalizadas no específicas para el vehículo eléctrico, con una intensidad no superior a los 16A.
Modo de carga 2. La conexión del vehículo eléctrico con la red de alimentación de corriente alterna se efectúa mediante tomas de corrientes normalizadas, usando conductores especiales con caja de control con función de control piloto y un sistema de protección para las personas contra el choque eléctrico. No podrá exceder de 32A.
Modo de carga 3. Conexión directa del vehículo eléctrico a la red de corriente alterna mediante un SAVE (Sistema de Alimentación del vehículo Eléctrico), donde la función de control piloto se amplía al sistema de control del SAVE, estando éste conectado permanentemente a la instalación de alimentación fija.
Modo de carga 4. Se efectúa una conexión indirecta del vehículo eléctrico a la red de corriente alterna usando un SAVE el cual incorpora un cargador externo que realiza la conversión CA/CC en la instalación fija.
Sistema de protección de línea general de alimentación contra sobrecargas (SPL)
Cuando se opte por el esquema de conexión colectivo con un contador principal común (esquemas 1a, 1b i 1c), el promotor (en edificios de nueva construcción) o el titular del suministro (en edificios existentes) podrán optar opcionalmente por la instalación de un SPL, que evite el fallo de suministro para el conjunto del edificio por actuación de los fusibles de la caja general de protección, mediante la disminución momentánea de la potencia destinada a la recarga del vehículo eléctrico. En caso de que se disponga de SPL, el dimensionamiento de las instalaciones de enlace y la previsión de cargas se realizará considerando un factor de simultaneidad de las cargas del vehículo eléctrico con el resto de la instalación igual a 0,3.
Cableado
Los cables desde el SAVE hasta el punto de conexión que formen parte de la instalación fija deben ser de tensión asignada mínima 450/750 V, con conductor de cobre clase 5 o 6 (aptos para usos móviles) y resistentes a todas las condiciones previstas en el lugar de la instalación. Cuando los cables de alimentación de las estaciones de recarga discurran por el exterior, serán de tensión asignada 0,6/1 kV.
Punto de conexión
El punto de conexión deberá situarse junto a la plaza a alimentar e instalarse de forma fija en una envolvente. La altura mínima de instalación de las tomas de corriente y conectores será de 0,6 m sobre el nivel del suelo. Si la estación de recarga está prevista para uso público la altura máxima será de 1,2 m y en las plazas destinadas a personas con movilidad reducida, entre los 0,7 y 1,2 m.
Otros requisitos
En los locales cerrados de edificios destinados a aparcamientos o estacionamientos colectivos de uso público o privado, se podrá realizar la operación de recarga de baterías siempre que dicha operación se realice sin desprendimiento de gases durante la recarga y que dichos locales no estén clasificados como locales con riesgo de incendio o explosión según la ITC-BT-29.
Se admitirá que la línea general de alimentación tenga derivaciones de menor sección si se garantiza la protección de dichas derivaciones contra sobreintensidades.
Cuando se instale un circuito de recarga colectivo que alimente a varias estaciones de recarga, cada circuito partirá de un interruptor automático para su protección contra sobrecargas y cortocircuitos; aguas arriba y en el mismo cuadro se instalará un IGA para la protección general de todos los circuitos de recarga.
En aparcamientos y estacionamientos, el cuadro de mando y protección asociado a las estaciones de recarga estará identificado en relación a la plaza o plazas de aparcamiento asignadas.
Los cuadros de mando y protección, o en su caso los SAVE con protecciones integradas, deberán disponer de sistemas de cierre a fin de evitar manipulaciones indebidas
El sistema de iluminación en la zona donde esté prevista la realización de la recarga garantizará un nivel de iluminancia horizontal mínima a nivel de suelo de 20 lux en exteriores y 50 lux en interiores.
La caída de tensión máxima admisible en cualquier circuito desde su origen hasta el punto de recarga no será superior al 5 %. Los conductores utilizados serán generalmente de cobre y su sección no será inferior a 2,5 mm2.
En instalaciones que reúnan más de 5 estaciones de recarga, se estudiará la necesidad de instalar filtros de corrección de armónicos.
El circuito que alimenta el punto de recarga no debe usarse para alimentar ningún otro equipo eléctrico, salvo los consumos auxiliares relacionados con el propio sistema, entre los que se puede incluir la iluminación de la estación de recarga.
El circuito para la alimentación de las estaciones de recarga de vehículos eléctricos deberá disponer siempre de conductor de protección y la instalación general deberá disponer de toma de tierra
Cada punto de conexión deberá protegerse individualmente mediante un dispositivo de protección diferencial de corriente diferencial-residual asignada máxima de 30 mA, de clase A. Los dispositivos de protección diferencial instalados en la vía pública estarán preparados para que se pueda instalar un dispositivo de rearme automático y los instalados en aparcamientos públicos o en estaciones de movilidad eléctrica dispondrán de un sistema de aviso de desconexión o estarán equipados con un dispositivo de rearme automático.
Los circuitos de recarga, hasta el punto de conexión, deberán protegerse contra sobrecargas y cortocircuitos con dispositivos de corte omnipolar, curva C. Cada punto de conexión deberá protegerse individualmente.
Todos los circuitos deben estar protegidos contra sobretensiones temporales y transitorias.
*Enlace a la primera parte del artículo: http://bit.ly/1OCLIBi